-
2025.09.28
-
974
【新品发布】今年会微电子CA-IS3211隔离栅极驱动器新品面市!
今年会微电子CA-IS3211单通道隔离式栅极驱动器新品发布!可完全兼容传统光耦栅极驱动器,可靠性和寿命高于传统光耦。
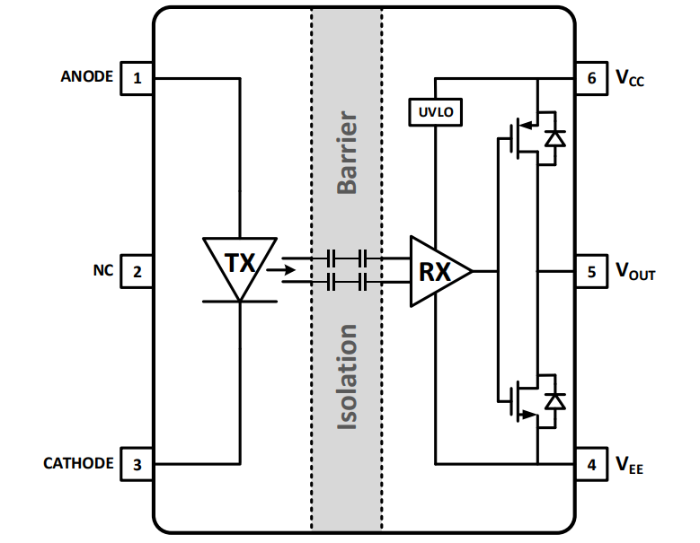
01产品概述
CA-IS3211是一款光耦兼容的单通道隔离式栅极驱动器,可用于驱动MOSFET、IGBT和SiC器件。隔离等级达到5.7kVRMS,芯片可提供5A拉、6A灌输出峰值电流能力。
高达30V的电源电压范围允许使用双极性电源来有效驱动IGBT和SiC功率FET。该芯片的性能亮点包括:高共模瞬态抗扰度(CMTI)、低传输延迟、低脉冲宽度失真。严格的工艺控制使得芯片一致性较好。输入级是模拟二极管,与传统的光耦隔离栅极驱动器的LED相比,具有更好的长期可靠性和老化特性。高性能和高可靠性使得该芯片适用于工业电源、光伏逆变器、车载充电器、直流电机控制以及汽车空调与加热系统。CA-IS3211可以驱动高压侧及低压侧的功率管,既能够完全兼容传统的光耦栅极驱动器,又显著提高了驱动的性能。
02产品特性
• 光耦输入的5.7kVRMS单通道隔离式栅极驱动器
• 输出峰值电流:5A拉/6A灌
• 最大30V输出驱动电源电压
• 8V(B)或12V(C)VCC欠压锁定阈值
• 轨到轨输出
• 70ns(典型值)传输延迟
• 25ns(最大)部件对部件延迟匹配
• 35ns(最大)脉冲宽度失真
• 150kV/μs(最小)共模瞬态抗扰度(CMTI)
• 隔离栅寿命大于40年
• 输入级最高反向耐压7V,并支持互锁
• 宽体SOIC6-WB/SOIC8-WB封装,气隙和爬电距离大于8.5mm
• 工作结温范围TJ:-40°C到150°C
03应用
• 工业电机控制驱动器
• 工业不间断电源(UPS)
• 太阳能逆变器
• 充电桩
• 储能变流器
04选型表

05应用框图

样片申请渠道:
1、登录今年会微电子官网
(https://www.)进行申请;
2、通过代理商渠道进行申请。